Generic selectors
Exact matches only
Search in title
Search in content
Post Type Selectors

Seccionadoras HGL

Seccionadoras HGL

Introdução

As Seccionadoras HGL são dispositivos destinados à seccionamento, manobra e isolamento seguro de circuitos elétricos, sendo amplamente utilizadas em painéis elétricos industriais e comerciais. Projetadas para garantir segurança, confiabilidade e facilidade de operação, permitem a interrupção visível do circuito, assegurando condições seguras para manutenção, inspeção e operação dos sistemas elétricos.

Principais Características da Seccionadoras HGL

  • Função de seccionamento e isolamento elétrico seguro
  • Indicadas para aplicação em painéis elétricos e sistemas de distribuição
  • Permitem interrupção visível do circuito, aumentando a segurança
  • Construção robusta e confiável, adequada para uso industrial
  • Operação simples e precisa
  • Compatíveis com diferentes configurações de circuitos
  • Facilmente integráveis a sistemas de comando e proteção
  • Contribuem para maior segurança operacional e organização do painel
  • Ideais para manobras frequentes e procedimentos de manutenção

As Seccionadoras HGL funcionam por meio de um mecanismo de manobra manual, que ao ser acionado promove a abertura ou fechamento do circuito elétrico.
Na posição aberta, a seccionadora garante o isolamento total da alimentação, proporcionando segurança para intervenções técnicas. Na posição fechada, restabelece a continuidade elétrica do circuito.
Seu princípio de funcionamento assegura confiabilidade, rapidez e segurança, sendo fundamental em aplicações que exigem controle eficiente da energia elétrica e proteção dos operadores e equipamentos.

Confira outros produtos  em nosso site

Dados Técnicos - Seccionadoras HGL
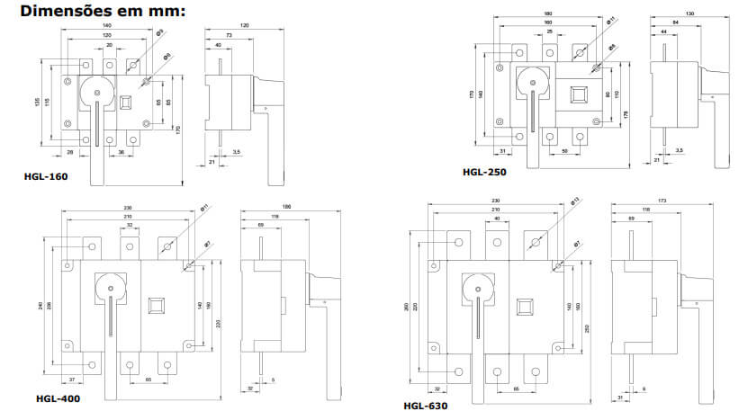
DImensões - Seccionadoras HGL